Livraison Offerte à partir 12€ TTC en france métropolitaine | Paiement Sécurisé
Une question ? Un conseil ? 04 90 89 13 12 Du lundi au vendredi de 8h à 12h et de 14h à 17h00

PIECES DETACHEES CHANFREINEUSES METABO KFM 9-3 RF 01751002

Pièces détachées METABO Chanfreineuses KFM 9-3 RF 01751002

ATTENTION : la désignation commerciale peut être identique pour deux versions différentes de la machine.
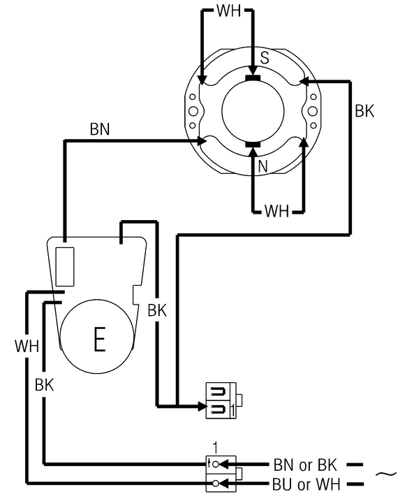
Veuillez vérifier que la référence (numéro situé dans l'encadrement rouge du schéma) corresponde bien à celle visible sur la plaque signalétique de votre machine.
Si ce n'est pas le cas, veuillez renseigner votre référence dans le champ de recherche.

Repérez votre pièce sur la vue éclatée et commandez-la dans notre liste. Si toutefois, vous ne trouvez pas votre pièce, vous avez la possibilité de nous contacter via le formulaire à la suite de la liste de pièces.

Désignation Prix
1 Induit complet, 230 V METABO KFM 9-3 RF
75,29 € HT 90,35 € TTC
Ajouter
3 Cable avec fiche male CEE METABO KFM 9-3 RF
28,41 € HT 34,09 € TTC
Ajouter
4 Enveloppe protect.de cable METABO KFM 9-3 RF
11,75 € HT 14,10 € TTC
Ajouter
5 Collier de cable METABO KFM 9-3 RF
11,87 € HT 14,24 € TTC
Ajouter
6 Vis tole avec tete bombee METABO KFM 9-3 RF
11,87 € HT 14,24 € TTC
Ajouter
7 Support charbon complet arret METABO KFM 9-3 RF
21,76 € HT 26,11 € TTC
Ajouter
9 Interrupteur avec electron.,230V/50-60Hz METABO KFM 9-3 RF
51,93 € HT 62,32 € TTC
Ajouter
10 Cordon complet METABO KFM 9-3 RF
11,75 € HT 14,10 € TTC
Ajouter
11 Carter du moteur METABO KFM 9-3 RF
21,76 € HT 26,11 € TTC
Ajouter
12 Bielle d'attaque METABO KFM 9-3 RF
11,75 € HT 14,10 € TTC
Ajouter
13 Curseur de commande,H/L METABO KFM 9-3 RF
11,75 € HT 14,10 € TTC
Ajouter
14 Roulement billes,6x19x6 METABO KFM 9-3 RF
12,45 € HT 14,94 € TTC
Ajouter
15 Boite en caoutchouc METABO KFM 9-3 RF
11,75 € HT 14,10 € TTC
Ajouter
16 Diffuseur METABO KFM 9-3 RF
12,45 € HT 14,94 € TTC
Ajouter
17 Roulement billes, 8X 22X 7 METABO KFM 9-3 RF
15,91 € HT 19,09 € TTC
Ajouter
18 Capuchon du moteur METABO KFM 9-3 RF
18,83 € HT 22,60 € TTC
Ajouter
19 Vis tole avec tete bombee METABO KFM 9-3 RF
11,75 € HT 14,10 € TTC
Ajouter
20 Boite d'ecartement METABO KFM 9-3 RF
21,76 € HT 26,11 € TTC
Ajouter
21 Flasque intermediaire vert METABO KFM 9-3 RF
20,27 € HT 24,32 € TTC
Ajouter
30 Echelle graduee METABO KFM 9-3 RF
41,41 € HT 49,69 € TTC
Ajouter
31 Bague de reglage METABO KFM 9-3 RF
107,57 € HT 129,08 € TTC
Ajouter
32 Carter METABO KFM 9-3 RF
88,31 € HT 105,97 € TTC
Ajouter
34 Ressort de pression METABO KFM 9-3 RF
25,94 € HT 31,13 € TTC
Ajouter
35 Plaque de base METABO KFM 9-3 RF
120,20 € HT 144,24 € TTC
Ajouter
38 Plaque indicatrice Indication METABO KFM 9-3 RF
13,82 € HT 16,58 € TTC
Ajouter
42 Butee parallele complet METABO KFM 9-3 RF
127,33 € HT 152,80 € TTC
Ajouter
43 Carter du reducteur complet METABO KFM 9-3 RF
33,65 € HT 40,38 € TTC
Ajouter
44 Vis tole avec tete bombee METABO KFM 9-3 RF
11,75 € HT 14,10 € TTC
Ajouter
45 Joint torique METABO KFM 9-3 RF
11,75 € HT 14,10 € TTC
Ajouter
46 Ecrou 6 pans Avec épaule METABO KFM 9-3 RF
11,75 € HT 14,10 € TTC
Ajouter
47 Plaque de fixation roulement METABO KFM 9-3 RF
11,75 € HT 14,10 € TTC
Ajouter
49 Vis a tete bombee METABO KFM 9-3 RF
11,75 € HT 14,10 € TTC
Ajouter
50 Disque de compensation METABO KFM 9-3 RF
11,75 € HT 14,10 € TTC
Ajouter
51 Roue conique avec pignon METABO KFM 9-3 RF
36,27 € HT 43,52 € TTC
Ajouter
52 Bride complet METABO KFM 9-3 RF
120,20 € HT 144,24 € TTC
Ajouter
53 Roulement billes METABO KFM 9-3 RF
22,05 € HT 26,46 € TTC
Ajouter
54 Circlip METABO KFM 9-3 RF
11,87 € HT 14,24 € TTC
Ajouter
55 Broche complet METABO KFM 9-3 RF
336,60 € HT 403,92 € TTC
Ajouter
56 Roulement billes METABO KFM 9-3 RF
51,93 € HT 62,32 € TTC
Ajouter
57 Circlip METABO KFM 9-3 RF
11,75 € HT 14,10 € TTC
Ajouter
58 Bague de contact complet METABO KFM 9-3 RF
31,15 € HT 37,38 € TTC
Ajouter
59 EMBRAYGE REGLAGE HAUTEUR cpl. METABO KFM 9-3 RF
234,03 € HT 280,84 € TTC
Ajouter
60 Joint torique METABO KFM 9-3 RF
11,87 € HT 14,24 € TTC
Ajouter
62 Rondelle elastique METABO KFM 9-3 RF
13,16 € HT 15,79 € TTC
Ajouter
63 Rondelle elastique METABO KFM 9-3 RF
13,16 € HT 15,79 € TTC
Ajouter
67 Disque d'arret METABO KFM 9-3 RF
22,05 € HT 26,46 € TTC
Ajouter
68 Poignee en forme d'etrier complet METABO KFM 9-3 RF
28,41 € HT 34,09 € TTC
Ajouter
69 Rondelle METABO KFM 9-3 RF
11,75 € HT 14,10 € TTC
Ajouter
70 Vis a tete cylindrique METABO KFM 9-3 RF
11,87 € HT 14,24 € TTC
Ajouter
71 Ecrou papillon METABO KFM 9-3 RF
12,45 € HT 14,94 € TTC
Ajouter
72 Cle male coudee METABO KFM 9-3 RF
11,87 € HT 14,24 € TTC
Ajouter
81 Vis complet METABO KFM 9-3 RF
13,16 € HT 15,79 € TTC
Ajouter
82 Dispositif d'arret de broche METABO KFM 9-3 RF
13,16 € HT 15,79 € TTC
Ajouter
85 Ventilateur METABO KFM 9-3 RF
15,25 € HT 18,30 € TTC
Ajouter
86 Balai de charbon pair Arret METABO KFM 9-3 RF
21,76 € HT 26,11 € TTC
Ajouter
88 Vis sans tete METABO KFM 9-3 RF
11,75 € HT 14,10 € TTC
Ajouter
89 Vis,Set METABO KFM 9-3 RF
41,41 € HT 49,69 € TTC
Ajouter
92 Bague de contact complet METABO KFM 9-3 RF
41,41 € HT 49,69 € TTC
Ajouter
880 Tube de graisse METABO KFM 9-3 RF
46,61 € HT 55,93 € TTC
Ajouter

Description PIECES DETACHEES CHANFREINEUSES METABO KFM 9-3 RF 01751002

Pièces détachées METABO Chanfreineuses KFM 9-3 RF 01751002

Caractéristiques techniques

Référence PD_METABO_KFM 9-3 RF#01751002

Il manque une référence dans les pièces proposées ?

Il vous suffit de nous contacter pour la commander !

Contactez-nous par téléphone au 04 90 89 13 12  (du lundi au vendredi de 8h à 12h et de 14h à 17h00 )  ou par email :