Livraison Offerte à partir 12€ TTC en france métropolitaine | Paiement Sécurisé
Une question ? Un conseil ? 04 90 89 13 12 Du lundi au vendredi de 8h à 12h et de 14h à 17h00

PIECES DETACHEES AUTRES METABO AG 18 02242000

Pièces détachées METABO Autres AG 18 02242000

ATTENTION : la désignation commerciale peut être identique pour deux versions différentes de la machine.
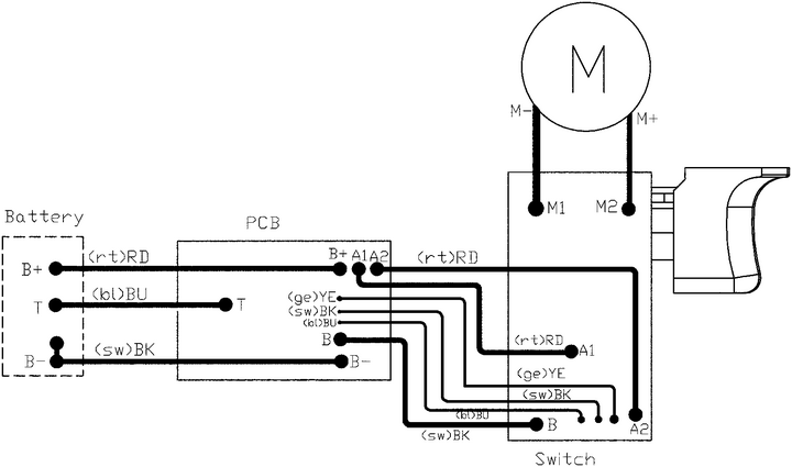
Veuillez vérifier que la référence (numéro situé dans l'encadrement rouge du schéma) corresponde bien à celle visible sur la plaque signalétique de votre machine.
Si ce n'est pas le cas, veuillez renseigner votre référence dans le champ de recherche.

Repérez votre pièce sur la vue éclatée et commandez-la dans notre liste. Si toutefois, vous ne trouvez pas votre pièce, vous avez la possibilité de nous contacter via le formulaire à la suite de la liste de pièces.

Désignation Prix
3 Interrupteur complet METABO AG 18
57,08 € HT 68,50 € TTC
Ajouter
4 Carter complet METABO AG 18
46,61 € HT 55,93 € TTC
Ajouter
5 Vis a tete fraisee METABO AG 18
11,75 € HT 14,10 € TTC
Ajouter
6 Vis a tete fraisee METABO AG 18
11,75 € HT 14,10 € TTC
Ajouter
7 Rondelle METABO AG 18
11,75 € HT 14,10 € TTC
Ajouter
9 Vis a tete cylindrique METABO AG 18
11,87 € HT 14,24 € TTC
Ajouter
10 Vis tole avec tete bombee METABO AG 18
11,75 € HT 14,10 € TTC
Ajouter
11 Ecrou a six pans METABO AG 18
11,75 € HT 14,10 € TTC
Ajouter
12 Ventilateur METABO AG 18
20,27 € HT 24,32 € TTC
Ajouter
13 Tuyau complet METABO AG 18
20,27 € HT 24,32 € TTC
Ajouter
14 Moteur complet METABO AG 18
62,27 € HT 74,72 € TTC
Ajouter
15 Slotted ring METABO AG 18
13,16 € HT 15,79 € TTC
Ajouter
16 Suceur en caoutchouc complet METABO AG 18
25,94 € HT 31,13 € TTC
Ajouter
17 Membre de pression METABO AG 18
11,75 € HT 14,10 € TTC
Ajouter
18 Ressort de pression METABO AG 18
11,75 € HT 14,10 € TTC
Ajouter
19 Curseur de commande METABO AG 18
11,75 € HT 14,10 € TTC
Ajouter

Description PIECES DETACHEES AUTRES METABO AG 18 02242000

Pièces détachées METABO Autres AG 18 02242000

Caractéristiques techniques

Référence PD_METABO_AG 18#02242000

Il manque une référence dans les pièces proposées ?

Il vous suffit de nous contacter pour la commander !

Contactez-nous par téléphone au 04 90 89 13 12  (du lundi au vendredi de 8h à 12h et de 14h à 17h00 )  ou par email :