Livraison Offerte à partir 12€ TTC en france métropolitaine | Paiement Sécurisé
Une question ? Un conseil ? 04 90 89 13 12 Du lundi au vendredi de 8h à 12h et de 14h à 17h00

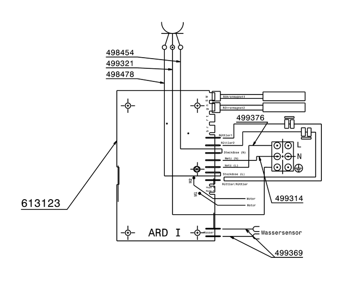
PIECES DETACHEES ASPIRATEURS METABO ASR 35 L ACP 02057000

Pièces détachées METABO Aspirateurs ASR 35 L ACP 02057000

ATTENTION : la désignation commerciale peut être identique pour deux versions différentes de la machine.
Veuillez vérifier que la référence (numéro situé dans l'encadrement rouge du schéma) corresponde bien à celle visible sur la plaque signalétique de votre machine.
Si ce n'est pas le cas, veuillez renseigner votre référence dans le champ de recherche.

Repérez votre pièce sur la vue éclatée et commandez-la dans notre liste. Si toutefois, vous ne trouvez pas votre pièce, vous avez la possibilité de nous contacter via le formulaire à la suite de la liste de pièces.

Désignation Prix
1 Support complet METABO ASR 35 L ACP
36,27 € HT 43,52 € TTC
Ajouter
2 Cable Avec Fiche male,230V METABO ASR 35 L ACP
46,61 € HT 55,93 € TTC
Ajouter
4 Verrouillage complet METABO ASR 35 L ACP
41,41 € HT 49,69 € TTC
Ajouter
5 Vis a panneau METABO ASR 35 L ACP
11,87 € HT 14,24 € TTC
Ajouter
7 Prise moteur complet METABO ASR 35 L ACP
13,16 € HT 15,79 € TTC
Ajouter
8 Boulon de palier METABO ASR 35 L ACP
13,16 € HT 15,79 € TTC
Ajouter
9 Carter du moteur METABO ASR 35 L ACP
127,33 € HT 152,80 € TTC
Ajouter
11 Ressort a lames METABO ASR 35 L ACP
12,45 € HT 14,94 € TTC
Ajouter
12 Collier de cable METABO ASR 35 L ACP
11,75 € HT 14,10 € TTC
Ajouter
16 Globe transparent METABO ASR 35 L ACP
20,27 € HT 24,32 € TTC
Ajouter
18 Unite electronique METABO ASR 35 L ACP
191,61 € HT 229,93 € TTC
Ajouter
19 Couvercle METABO ASR 35 L ACP
101,17 € HT 121,40 € TTC
Ajouter
21 Plaque avant METABO ASR 35 L ACP
68,77 € HT 82,52 € TTC
Ajouter
23 Secoueur complet METABO ASR 35 L ACP
120,20 € HT 144,24 € TTC
Ajouter
24 Bague d'etancheite METABO ASR 35 L ACP
21,76 € HT 26,11 € TTC
Ajouter
31 Unite Moteur complet METABO ASR 35 L ACP
195,24 € HT 234,29 € TTC
Ajouter
32 Embase METABO ASR 35 L ACP
153,24 € HT 183,89 € TTC
Ajouter
34 Filtre Set METABO ASR 35 L ACP
31,15 € HT 37,38 € TTC
Ajouter
35 Deflecteur METABO ASR 35 L ACP
15,91 € HT 19,09 € TTC
Ajouter
36 Cache METABO ASR 35 L ACP
11,87 € HT 14,24 € TTC
Ajouter
37 Roue complet METABO ASR 35 L ACP
46,61 € HT 55,93 € TTC
Ajouter
40 Fermeture METABO ASR 35 L ACP
18,83 € HT 22,60 € TTC
Ajouter
41 Bague d'etancheite METABO ASR 35 L ACP
15,91 € HT 19,09 € TTC
Ajouter
42 Plaque de support METABO ASR 35 L ACP
139,95 € HT 167,94 € TTC
Ajouter
44 Tuyeau de depression METABO ASR 35 L ACP
12,45 € HT 14,94 € TTC
Ajouter
45 Fil de contact METABO ASR 35 L ACP
11,75 € HT 14,10 € TTC
Ajouter
50 Recipient complet METABO ASR 35 L ACP
234,03 € HT 280,84 € TTC
Ajouter
52 Element de contact METABO ASR 35 L ACP
13,82 € HT 16,58 € TTC
Ajouter
53 Tubulure d'aspiration METABO ASR 35 L ACP
68,77 € HT 82,52 € TTC
Ajouter
54 Roue directrice METABO ASR 35 L ACP
23,27 € HT 27,92 € TTC
Ajouter
56 Axe METABO ASR 35 L ACP
23,27 € HT 27,92 € TTC
Ajouter
58 Tringle de traction complet METABO ASR 35 L ACP
28,41 € HT 34,09 € TTC
Ajouter
59 pressure sensor METABO ASR 35 L ACP
51,93 € HT 62,32 € TTC
Ajouter
75 Caoutchouc METABO ASR 35 L ACP
28,41 € HT 34,09 € TTC
Ajouter
100 Support tuyeau METABO ASR 35 L ACP
23,27 € HT 27,92 € TTC
Ajouter
101 Etiquette adhesive L METABO ASR 35 L ACP
13,82 € HT 16,58 € TTC
Ajouter

Description PIECES DETACHEES ASPIRATEURS METABO ASR 35 L ACP 02057000

Pièces détachées METABO Aspirateurs ASR 35 L ACP 02057000

Caractéristiques techniques

Référence PD_METABO_ASR 35 L ACP#02057000

Il manque une référence dans les pièces proposées ?

Il vous suffit de nous contacter pour la commander !

Contactez-nous par téléphone au 04 90 89 13 12  (du lundi au vendredi de 8h à 12h et de 14h à 17h00 )  ou par email :