Livraison Offerte à partir 12€ TTC en france métropolitaine | Paiement Sécurisé
Une question ? Un conseil ? 04 90 89 13 12 Du lundi au vendredi de 8h à 12h et de 14h à 17h00

PIECES DETACHEES ASPIRATEURS METABO ASA 20 L PC 02085180

Pièces détachées METABO Aspirateurs ASA 20 L PC 02085180

ATTENTION : la désignation commerciale peut être identique pour deux versions différentes de la machine.
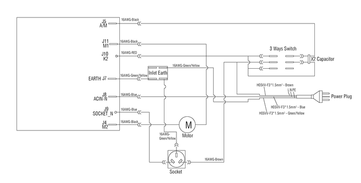
Veuillez vérifier que la référence (numéro situé dans l'encadrement rouge du schéma) corresponde bien à celle visible sur la plaque signalétique de votre machine.
Si ce n'est pas le cas, veuillez renseigner votre référence dans le champ de recherche.

Repérez votre pièce sur la vue éclatée et commandez-la dans notre liste. Si toutefois, vous ne trouvez pas votre pièce, vous avez la possibilité de nous contacter via le formulaire à la suite de la liste de pièces.

Désignation Prix
79 Piece de jonction cpl. METABO ASA 20 L PC
13,82 € HT 16,58 € TTC
Ajouter
80 Piece de jonction cpl. METABO ASA 20 L PC
13,82 € HT 16,58 € TTC
Ajouter
81 Piece de jonction cpl. METABO ASA 20 L PC
15,25 € HT 18,30 € TTC
Ajouter
113 Moteur,AC 230V METABO ASA 20 L PC
68,77 € HT 82,52 € TTC
Ajouter
122 Interrupteur AC /DC 3 METABO ASA 20 L PC
18,83 € HT 22,60 € TTC
Ajouter

Description PIECES DETACHEES ASPIRATEURS METABO ASA 20 L PC 02085180

Pièces détachées METABO Aspirateurs ASA 20 L PC 02085180

Caractéristiques techniques

Référence PD_METABO_ASA 20 L PC#02085180

Il manque une référence dans les pièces proposées ?

Il vous suffit de nous contacter pour la commander !

Contactez-nous par téléphone au 04 90 89 13 12  (du lundi au vendredi de 8h à 12h et de 14h à 17h00 )  ou par email :