Livraison Offerte à partir 12€ TTC en france métropolitaine | Paiement Sécurisé
Une question ? Un conseil ? 04 90 89 13 12 Du lundi au vendredi de 8h à 12h et de 14h à 17h00

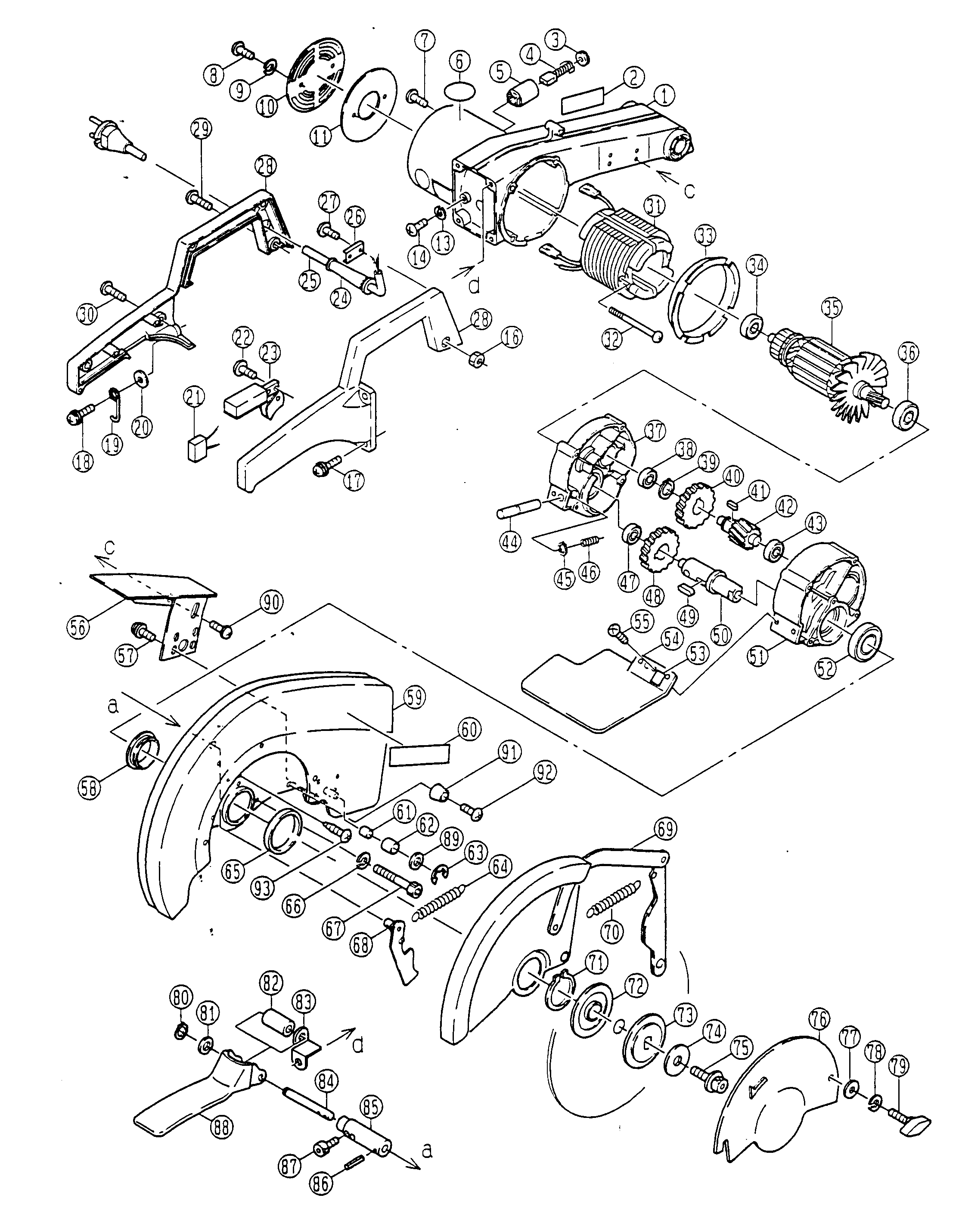
PIECES DETACHEES RYOBI TSC306 TSC306#1

Pièces détachées RYOBI TSC306 TSC306#1

ATTENTION : la désignation commerciale peut être identique pour deux versions différentes de la machine.
Veuillez vérifier que la référence (numéro situé dans l'encadrement rouge du schéma) corresponde bien à celle visible sur la plaque signalétique de votre machine.
Si ce n'est pas le cas, veuillez renseigner votre référence dans le champ de recherche.

Repérez votre pièce sur la vue éclatée et commandez-la dans notre liste. Si toutefois, vous ne trouvez pas votre pièce, vous avez la possibilité de nous contacter via le formulaire à la suite de la liste de pièces.

Désignation Prix
1 CARTER MOTEUR TSC306 - Article plus fourni RYOBI TSC306
0,00 € HT 0,00 € TTC
2 ETIQUETTE 230V TSC306 - Article plus fourni RYOBI TSC306
0,00 € HT 0,00 € TTC
3 BOUCHON DE CHARBON - Article plus fourni RYOBI TSC306
0,00 € HT 0,00 € TTC
4 CHARBONS (1PAIRE) CM30/31 WS642/842 - Article plus fourni RYOBI TSC306
0,00 € HT 0,00 € TTC
5 PORTE CHARBONS - Article plus fourni RYOBI TSC306
0,00 € HT 0,00 € TTC
6 ETIQUETTE TSC306 C357 - Article plus fourni RYOBI TSC306
0,00 € HT 0,00 € TTC
9 RONDELLE RESSORT - Article plus fourni RYOBI TSC306
0,00 € HT 0,00 € TTC
10 GRILLE DE PROTECTION TSC306 C357 - Article plus fourni RYOBI TSC306
0,00 € HT 0,00 € TTC
11 PLAQUE TSC306 - Article plus fourni RYOBI TSC306
0,00 € HT 0,00 € TTC
13 RONDELLE RESSORT - Article plus fourni RYOBI TSC306
0,00 € HT 0,00 € TTC
18 VIS M6X25 - Article plus fourni RYOBI TSC306
0,00 € HT 0,00 € TTC
19 CROCHET TSC306 C357 - Article plus fourni RYOBI TSC306
0,00 € HT 0,00 € TTC
21 CONDENSATEUR TS221 C357 TSC306 - Article plus fourni RYOBI TSC306
0,00 € HT 0,00 € TTC
23 INTERRUPTEUR TSC306 C357 - Article plus fourni RYOBI TSC306
0,00 € HT 0,00 € TTC
24 GAINE DE CABLE - Article plus fourni RYOBI TSC306
0,00 € HT 0,00 € TTC
25 CORDON ALIMENTATION - Article plus fourni RYOBI TSC306
0,00 € HT 0,00 € TTC
26 SERRE CABLE - Article plus fourni RYOBI TSC306
0,00 € HT 0,00 € TTC
27 VIS - Article plus fourni RYOBI TSC306
0,00 € HT 0,00 € TTC
28 POIGNEE - Article plus fourni RYOBI TSC306
0,00 € HT 0,00 € TTC
29 VIS M5X30 - Article plus fourni RYOBI TSC306
0,00 € HT 0,00 € TTC
30 VIS - Article plus fourni RYOBI TSC306
0,00 € HT 0,00 € TTC
31 INDUCTEUR - Article plus fourni RYOBI TSC306
0,00 € HT 0,00 € TTC
32 VIS M5X70 - Article plus fourni RYOBI TSC306
0,00 € HT 0,00 € TTC
33 CARTER DE VENTILATEUR TSC306 C357 - Article plus fourni RYOBI TSC306
0,00 € HT 0,00 € TTC
35 ROTOR - Article plus fourni RYOBI TSC306
0,00 € HT 0,00 € TTC
36 ROULEMENT A BILLES - Article plus fourni RYOBI TSC306
0,00 € HT 0,00 € TTC
37 COUVERCLE CARTER D'ENGRENAGE TSC306 - Article plus fourni RYOBI TSC306
0,00 € HT 0,00 € TTC
38 ROULEMENT A BILLES - Article plus fourni RYOBI TSC306
0,00 € HT 0,00 € TTC
39 CIRCLIPS S18 - Article plus fourni RYOBI TSC306
0,00 € HT 0,00 € TTC
40 PIGNON - Article plus fourni RYOBI TSC306
0,00 € HT 0,00 € TTC
42 PIGNON A QUEUE TSC306 - Article plus fourni RYOBI TSC306
0,00 € HT 0,00 € TTC
44 AXE DE BLOCAGE TSC306 - Article plus fourni RYOBI TSC306
0,00 € HT 0,00 € TTC
45 CIRCLIP INTERIEUR - Article plus fourni RYOBI TSC306
0,00 € HT 0,00 € TTC
46 RESSORT - Article plus fourni RYOBI TSC306
0,00 € HT 0,00 € TTC
47 ROULEMENT A BILLES RYOBI TSC306
18,52 € HT 22,22 € TTC
Ajouter
48 PIGNON TSC306 - Article plus fourni RYOBI TSC306
0,00 € HT 0,00 € TTC
49 CLAVETTE 5X5X14 TSC306 C357 G1830/2 - Article plus fourni RYOBI TSC306
0,00 € HT 0,00 € TTC
50 AXE D'ENGRENAGE TSC306 - Article plus fourni RYOBI TSC306
0,00 € HT 0,00 € TTC
51 CARTER D'ENGRENAGE TSC306 - Article plus fourni RYOBI TSC306
0,00 € HT 0,00 € TTC
52 ROULEMENT A BILLES - Article plus fourni RYOBI TSC306
0,00 € HT 0,00 € TTC
53 ETIQUETTE TSC306 KKS305M - Article plus fourni RYOBI TSC306
0,00 € HT 0,00 € TTC
54 COUVERCLE TSC306 - Article plus fourni RYOBI TSC306
0,00 € HT 0,00 € TTC
56 COUVERCLE TSC306 - Article plus fourni RYOBI TSC306
0,00 € HT 0,00 € TTC
58 BAGUE TSC306 - Article plus fourni RYOBI TSC306
0,00 € HT 0,00 € TTC
59 CARTER DE LAME TSC306 - Article plus fourni RYOBI TSC306
0,00 € HT 0,00 € TTC
60 ETIQUETTE RYOBI TSC306 - Article plus fourni RYOBI TSC306
0,00 € HT 0,00 € TTC
61 ENTRETOISE TSC306 - Article plus fourni RYOBI TSC306
0,00 € HT 0,00 € TTC
62 ENTRETOISE TSC306 - Article plus fourni RYOBI TSC306
0,00 € HT 0,00 € TTC
63 CIRCLIPS E6 - Article plus fourni RYOBI TSC306
0,00 € HT 0,00 € TTC
65 JOINT TSC306 - Article plus fourni RYOBI TSC306
0,00 € HT 0,00 € TTC
67 VIS M5X80 - Article plus fourni RYOBI TSC306
0,00 € HT 0,00 € TTC
68 LEVIER TSC306 - Article plus fourni RYOBI TSC306
0,00 € HT 0,00 € TTC
69 CARTER MOBILE TSC306 - Article plus fourni RYOBI TSC306
0,00 € HT 0,00 € TTC
70 RESSORT - Article plus fourni RYOBI TSC306
0,00 € HT 0,00 € TTC
71 CIRCLIPS S42 - Article plus fourni RYOBI TSC306
0,00 € HT 0,00 € TTC
72 FLASQUE INTERNE TSC306 PLUS FABRIQU - Article plus fourni RYOBI TSC306
0,00 € HT 0,00 € TTC
73 FLASQUE DE SERRAGE - Article plus fourni RYOBI TSC306
0,00 € HT 0,00 € TTC
74 RONDELLE 10X40 - Article plus fourni RYOBI TSC306
0,00 € HT 0,00 € TTC
76 COUVERCLE CARTER TSC306 - Article plus fourni RYOBI TSC306
0,00 € HT 0,00 € TTC
78 RONDELLE RESSORT - Article plus fourni RYOBI TSC306
0,00 € HT 0,00 € TTC
80 CIRCLIP INTERIEUR - Article plus fourni RYOBI TSC306
0,00 € HT 0,00 € TTC
81 RONDELLE 10X18X2 - Article plus fourni RYOBI TSC306
0,00 € HT 0,00 € TTC
82 ENTRETOISE TSC306 - Article plus fourni RYOBI TSC306
0,00 € HT 0,00 € TTC
83 SUPPORT TSC306 - Article plus fourni RYOBI TSC306
0,00 € HT 0,00 € TTC
84 AXE TSC306 - Article plus fourni RYOBI TSC306
0,00 € HT 0,00 € TTC
85 ENTRETOISE TSC306 - Article plus fourni RYOBI TSC306
0,00 € HT 0,00 € TTC
86 GOUPILLE 4X20 - Article plus fourni RYOBI TSC306
0,00 € HT 0,00 € TTC
87 VIS M4X12 - Article plus fourni RYOBI TSC306
0,00 € HT 0,00 € TTC
88 LEVIER TSC306 - Article plus fourni RYOBI TSC306
0,00 € HT 0,00 € TTC
89 RONDELLE - Article plus fourni RYOBI TSC306
0,00 € HT 0,00 € TTC
90 VIS M5X10 - Article plus fourni RYOBI TSC306
0,00 € HT 0,00 € TTC
91 BUTEE CAOUTCHOUC TSC306 - Article plus fourni RYOBI TSC306
0,00 € HT 0,00 € TTC
92 VIS M6X16 - Article plus fourni RYOBI TSC306
0,00 € HT 0,00 € TTC
93 VIS M5X10 (DES) - Article plus fourni RYOBI TSC306
0,00 € HT 0,00 € TTC
100 ENTRETOISE TSC306 - Article plus fourni RYOBI TSC306
0,00 € HT 0,00 € TTC
103 RONDELLE DE BUTEE TSC306 - Article plus fourni RYOBI TSC306
0,00 € HT 0,00 € TTC
104 ENTRETOISE 16X20X20 TSC306 - Article plus fourni RYOBI TSC306
0,00 € HT 0,00 € TTC
105 AXE TSC306 - Article plus fourni RYOBI TSC306
0,00 € HT 0,00 € TTC
106 RESSORT - Article plus fourni RYOBI TSC306
0,00 € HT 0,00 € TTC
107 RESSORT - Article plus fourni RYOBI TSC306
0,00 € HT 0,00 € TTC
108 ETIQUETTE TSC306 - Article plus fourni RYOBI TSC306
0,00 € HT 0,00 € TTC
109 VIS M10X15 - Article plus fourni RYOBI TSC306
0,00 € HT 0,00 € TTC
110 MACHOIRE FIXE TSC306 - Article plus fourni RYOBI TSC306
0,00 € HT 0,00 € TTC
112 SUPPORT MACHOIRE TSC306 - Article plus fourni RYOBI TSC306
0,00 € HT 0,00 € TTC
113 GOUPILLE 6X12 - Article plus fourni RYOBI TSC306
0,00 € HT 0,00 € TTC
114 BOULON - Article plus fourni RYOBI TSC306
0,00 € HT 0,00 € TTC
115 VIS M4X6 - Article plus fourni RYOBI TSC306
0,00 € HT 0,00 € TTC
116 RONDELLE 4.3X9X0.8 (DES) - Article plus fourni RYOBI TSC306
0,00 € HT 0,00 € TTC
117 INDICATEUR TSC306 - Article plus fourni RYOBI TSC306
0,00 € HT 0,00 € TTC
118 ECROU - Article plus fourni RYOBI TSC306
0,00 € HT 0,00 € TTC
119 PLAQUE DE FIXATION TSC306 - Article plus fourni RYOBI TSC306
0,00 € HT 0,00 € TTC
120 PLAQUE DE FIXATION TSC306 - Article plus fourni RYOBI TSC306
0,00 € HT 0,00 € TTC
121 VIS M5X12 - Article plus fourni RYOBI TSC306
0,00 € HT 0,00 € TTC
122 POIGNEE - Article plus fourni RYOBI TSC306
0,00 € HT 0,00 € TTC
123 GOUPILLE - Article plus fourni RYOBI TSC306
0,00 € HT 0,00 € TTC
124 AXE DE SERRAGE TSC306 - Article plus fourni RYOBI TSC306
0,00 € HT 0,00 € TTC
125 ETAU TCS306 - Article plus fourni RYOBI TSC306
0,00 € HT 0,00 € TTC
126 CHAINE TSC306 - Article plus fourni RYOBI TSC306
0,00 € HT 0,00 € TTC
128 VIS RYOBI TSC306
7,70 € HT 9,24 € TTC
Ajouter
130 MACHOIRE AMOVIBLE TSC306 - Article plus fourni RYOBI TSC306
0,00 € HT 0,00 € TTC
131 ARBRE DE MACHOIRE AMOVIBLE TSC306 - Article plus fourni RYOBI TSC306
0,00 € HT 0,00 € TTC
133 GOUPILLE 3.2X20 CH500P C357 TSC306 - Article plus fourni RYOBI TSC306
0,00 € HT 0,00 € TTC
134 AXE DU PIVOT DE SCIE TSC306 - Article plus fourni RYOBI TSC306
0,00 € HT 0,00 € TTC
135 VIS - Article plus fourni RYOBI TSC306
0,00 € HT 0,00 € TTC
136 ECROU SPECIAL TSC306 - Article plus fourni RYOBI TSC306
0,00 € HT 0,00 € TTC
138 VIS M8X40 - Article plus fourni RYOBI TSC306
0,00 € HT 0,00 € TTC
140 VIS - Article plus fourni RYOBI TSC306
0,00 € HT 0,00 € TTC
142 BUTEE TSC306 - Article plus fourni RYOBI TSC306
0,00 € HT 0,00 € TTC
143 ECROU - Article plus fourni RYOBI TSC306
0,00 € HT 0,00 € TTC
144 ENTRETOISE TSC306 - Article plus fourni RYOBI TSC306
0,00 € HT 0,00 € TTC
145 RONDELLE - Article plus fourni RYOBI TSC306
0,00 € HT 0,00 € TTC
147 VIS M8X55 - Article plus fourni RYOBI TSC306
0,00 € HT 0,00 € TTC
148 TABLE TSC306 - Article plus fourni RYOBI TSC306
0,00 € HT 0,00 € TTC
149 PLAQUE TSC306 MKS KKS - Article plus fourni RYOBI TSC306
0,00 € HT 0,00 € TTC
150 RONDELLE 10.5X21X2 - Article plus fourni RYOBI TSC306
0,00 € HT 0,00 € TTC
151 RONDELLE RESSORT M10 - Article plus fourni RYOBI TSC306
0,00 € HT 0,00 € TTC
152 ECROU M10 - Article plus fourni RYOBI TSC306
0,00 € HT 0,00 € TTC
153 PIED - Article plus fourni RYOBI TSC306
0,00 € HT 0,00 € TTC
154 VIS M6X35 - Article plus fourni RYOBI TSC306
0,00 € HT 0,00 € TTC
155 COUVERCLE TSC306 - Article plus fourni RYOBI TSC306
0,00 € HT 0,00 € TTC
156 VIS PAPILLON - Article plus fourni RYOBI TSC306
0,00 € HT 0,00 € TTC
158 RONDELLE - Article plus fourni RYOBI TSC306
0,00 € HT 0,00 € TTC
159 RONDELLE ELASTIQUE RYOBI TSC306
7,70 € HT 9,24 € TTC
Ajouter
160 VIS M8X25 - Article plus fourni RYOBI TSC306
0,00 € HT 0,00 € TTC
161 ENTRETOISE 8.1X18 TSC306 - Article plus fourni RYOBI TSC306
0,00 € HT 0,00 € TTC
162 VIS - Article plus fourni RYOBI TSC306
0,00 € HT 0,00 € TTC
163 ECROU M8 - Article plus fourni RYOBI TSC306
0,00 € HT 0,00 € TTC
164 VIS M8X30 - Article plus fourni RYOBI TSC306
0,00 € HT 0,00 € TTC
501 LUNETTE PROTECTRICES - Article plus fourni RYOBI TSC306
0,00 € HT 0,00 € TTC
125-1 GOUPILLE 4X40 - Article plus fourni RYOBI TSC306
0,00 € HT 0,00 € TTC
125-2 VIS - Article plus fourni RYOBI TSC306
0,00 € HT 0,00 € TTC
125-3 COUVERCLE EN 'U' TCS306 KKS MKS - Article plus fourni RYOBI TSC306
0,00 € HT 0,00 € TTC
125-4 AXE DE L'ETAU TSC306 - Article plus fourni RYOBI TSC306
0,00 € HT 0,00 € TTC
125-5 SUPPORT TSC306 - Article plus fourni RYOBI TSC306
0,00 € HT 0,00 € TTC
125-6 RESSORT R120/151/(E)155 - Article plus fourni RYOBI TSC306
0,00 € HT 0,00 € TTC

Description PIECES DETACHEES RYOBI TSC306 TSC306#1

Pièces détachées RYOBI TSC306 TSC306#1

Caractéristiques techniques

Référence PD_RYOBI_TSC306#TSC306#1

Il manque une référence dans les pièces proposées ?

Il vous suffit de nous contacter pour la commander !

Contactez-nous par téléphone au 04 90 89 13 12  (du lundi au vendredi de 8h à 12h et de 14h à 17h00 )  ou par email :