Livraison Offerte à partir 12€ TTC en france métropolitaine | Paiement Sécurisé
Une question ? Un conseil ? 04 90 89 13 12 Du lundi au vendredi de 8h à 12h et de 14h à 17h00

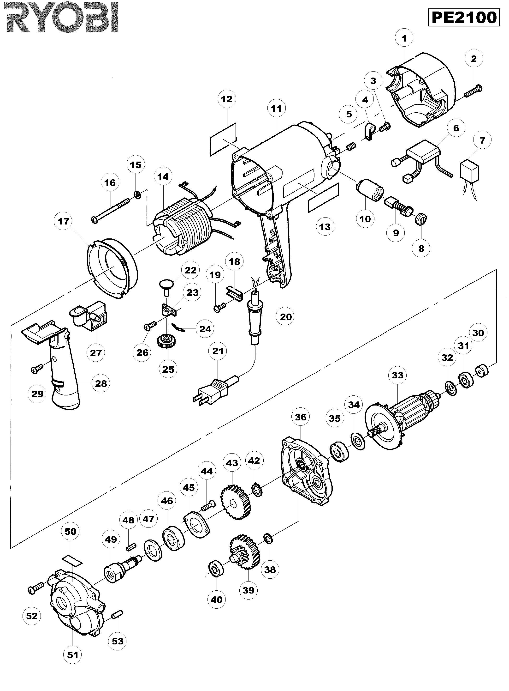
PIECES DETACHEES RYOBI PE2100 PE2100

Pièces détachées RYOBI PE2100 PE2100

ATTENTION : la désignation commerciale peut être identique pour deux versions différentes de la machine.
Veuillez vérifier que la référence (numéro situé dans l'encadrement rouge du schéma) corresponde bien à celle visible sur la plaque signalétique de votre machine.
Si ce n'est pas le cas, veuillez renseigner votre référence dans le champ de recherche.

Repérez votre pièce sur la vue éclatée et commandez-la dans notre liste. Si toutefois, vous ne trouvez pas votre pièce, vous avez la possibilité de nous contacter via le formulaire à la suite de la liste de pièces.

Désignation Prix
1 COUVERCLE AR. CARTER DSE5200 PE2100 - Article plus fourni RYOBI PE2100
0,00 € HT 0,00 € TTC
2 VIS M4X45 - Article plus fourni RYOBI PE2100
0,00 € HT 0,00 € TTC
4 PATTE DE MAINTIEN DSE5200 - Article plus fourni RYOBI PE2100
0,00 € HT 0,00 € TTC
5 VIS M4X8 - Article plus fourni RYOBI PE2100
0,00 € HT 0,00 € TTC
6 TABLEAU DE COMMANDE VITESSE DSE5200 - Article plus fourni RYOBI PE2100
0,00 € HT 0,00 € TTC
7 CONDENSATEUR RYOBI PE2100
14,93 € HT 17,92 € TTC
Ajouter
8 COUVERCLE RYOBI PE2100
9,07 € HT 10,88 € TTC
Ajouter
9 BALAI CHARBON RYOBI PE2100
18,52 € HT 22,22 € TTC
Ajouter
10 PORTE CHARBONS CH450/460P RYOBI PE2100
14,21 € HT 17,05 € TTC
Ajouter
11 CARTER MOTEUR - Article plus fourni RYOBI PE2100
0,00 € HT 0,00 € TTC
12 ETIQUETTE PE2100 - Article plus fourni RYOBI PE2100
0,00 € HT 0,00 € TTC
13 ETIQUETTE RYOBI - Article plus fourni RYOBI PE2100
0,00 € HT 0,00 € TTC
14 INDUCTEUR - Article plus fourni RYOBI PE2100
0,00 € HT 0,00 € TTC
15 RONDELLE RESSORT - Article plus fourni RYOBI PE2100
0,00 € HT 0,00 € TTC
16 VIS M5X55 - Article plus fourni RYOBI PE2100
0,00 € HT 0,00 € TTC
17 CARTER DE VENTILATEUR DSE5200 - Article plus fourni RYOBI PE2100
0,00 € HT 0,00 € TTC
18 SERRE CABLE - Article plus fourni RYOBI PE2100
0,00 € HT 0,00 € TTC
19 VIS - Article plus fourni RYOBI PE2100
0,00 € HT 0,00 € TTC
20 GAINE DE CABLE - Article plus fourni RYOBI PE2100
0,00 € HT 0,00 € TTC
21 CORDON D ALIMENTATION - Article plus fourni RYOBI PE2100
0,00 € HT 0,00 € TTC
22 VARIATEUR DSE5200 - Article plus fourni RYOBI PE2100
0,00 € HT 0,00 € TTC
23 SUPPORT - Article plus fourni RYOBI PE2100
0,00 € HT 0,00 € TTC
24 LAMELLE RESSORT DSE5200 - Article plus fourni RYOBI PE2100
0,00 € HT 0,00 € TTC
25 BOUTON DU VARIATEUR DSE5200 - Article plus fourni RYOBI PE2100
0,00 € HT 0,00 € TTC
26 VIS - Article plus fourni RYOBI PE2100
0,00 € HT 0,00 € TTC
27 GACHETTE - Article plus fourni RYOBI PE2100
0,00 € HT 0,00 € TTC
28 COUVERCLE DE LA POIGNEE DSE5200 - Article plus fourni RYOBI PE2100
0,00 € HT 0,00 € TTC
29 VIS - Article plus fourni RYOBI PE2100
0,00 € HT 0,00 € TTC
30 AIMANT RYOBI PE2100
14,21 € HT 17,05 € TTC
Ajouter
31 ROULEMENT A BILLES RYOBI PE2100
13,55 € HT 16,26 € TTC
Ajouter
32 JOINT ETANCHE POUSS - Article plus fourni RYOBI PE2100
0,00 € HT 0,00 € TTC
33 ROTOR RYOBI PE2100
104,74 € HT 125,69 € TTC
Ajouter
34 RONDELLE - Article plus fourni RYOBI PE2100
0,00 € HT 0,00 € TTC
35 ROULEMENT A BILLES - Article plus fourni RYOBI PE2100
0,00 € HT 0,00 € TTC
36 CARTER D''ENGRENAGES - Article plus fourni RYOBI PE2100
0,00 € HT 0,00 € TTC
38 RONDELLE AXIALE - Article plus fourni RYOBI PE2100
0,00 € HT 0,00 € TTC
39 PIGNON - Article plus fourni RYOBI PE2100
0,00 € HT 0,00 € TTC
40 ROULEMENT A BILLES RYOBI PE2100
13,55 € HT 16,26 € TTC
Ajouter
42 RONDELLE RYOBI PE2100
7,70 € HT 9,24 € TTC
Ajouter
43 AXE D''ENTRAINEMENT - Article plus fourni RYOBI PE2100
0,00 € HT 0,00 € TTC
44 VIS - Article plus fourni RYOBI PE2100
0,00 € HT 0,00 € TTC
45 RONDELLE DE MAINTIEN DSE5200 - Article plus fourni RYOBI PE2100
0,00 € HT 0,00 € TTC
46 ROULEMENT A BILLES - Article plus fourni RYOBI PE2100
0,00 € HT 0,00 € TTC
47 RONDELLE DSE5200 - Article plus fourni RYOBI PE2100
0,00 € HT 0,00 € TTC
48 CLAVETTE PARALLELE - Article plus fourni RYOBI PE2100
0,00 € HT 0,00 € TTC
49 AXE - Article plus fourni RYOBI PE2100
0,00 € HT 0,00 € TTC
50 ETIQUETTE INDICATION ROTATION DSE52 - Article plus fourni RYOBI PE2100
0,00 € HT 0,00 € TTC
51 DEMI CARTER D'ENGRENAGE DSE5200 - Article plus fourni RYOBI PE2100
0,00 € HT 0,00 € TTC
52 VIS M5X40 - Article plus fourni RYOBI PE2100
0,00 € HT 0,00 € TTC
53 GOUPILLE DE CENTRAGE PE2100 - Article plus fourni RYOBI PE2100
0,00 € HT 0,00 € TTC
501 POIGNEE AUXILIAIRE - Article plus fourni RYOBI PE2100
0,00 € HT 0,00 € TTC

Description PIECES DETACHEES RYOBI PE2100 PE2100

Pièces détachées RYOBI PE2100 PE2100

Caractéristiques techniques

Référence PD_RYOBI_PE2100#PE2100

Il manque une référence dans les pièces proposées ?

Il vous suffit de nous contacter pour la commander !

Contactez-nous par téléphone au 04 90 89 13 12  (du lundi au vendredi de 8h à 12h et de 14h à 17h00 )  ou par email :