Livraison Offerte à partir 12€ TTC en france métropolitaine | Paiement Sécurisé
Une question ? Un conseil ? 04 90 89 13 12 Du lundi au vendredi de 8h à 12h et de 14h à 17h00

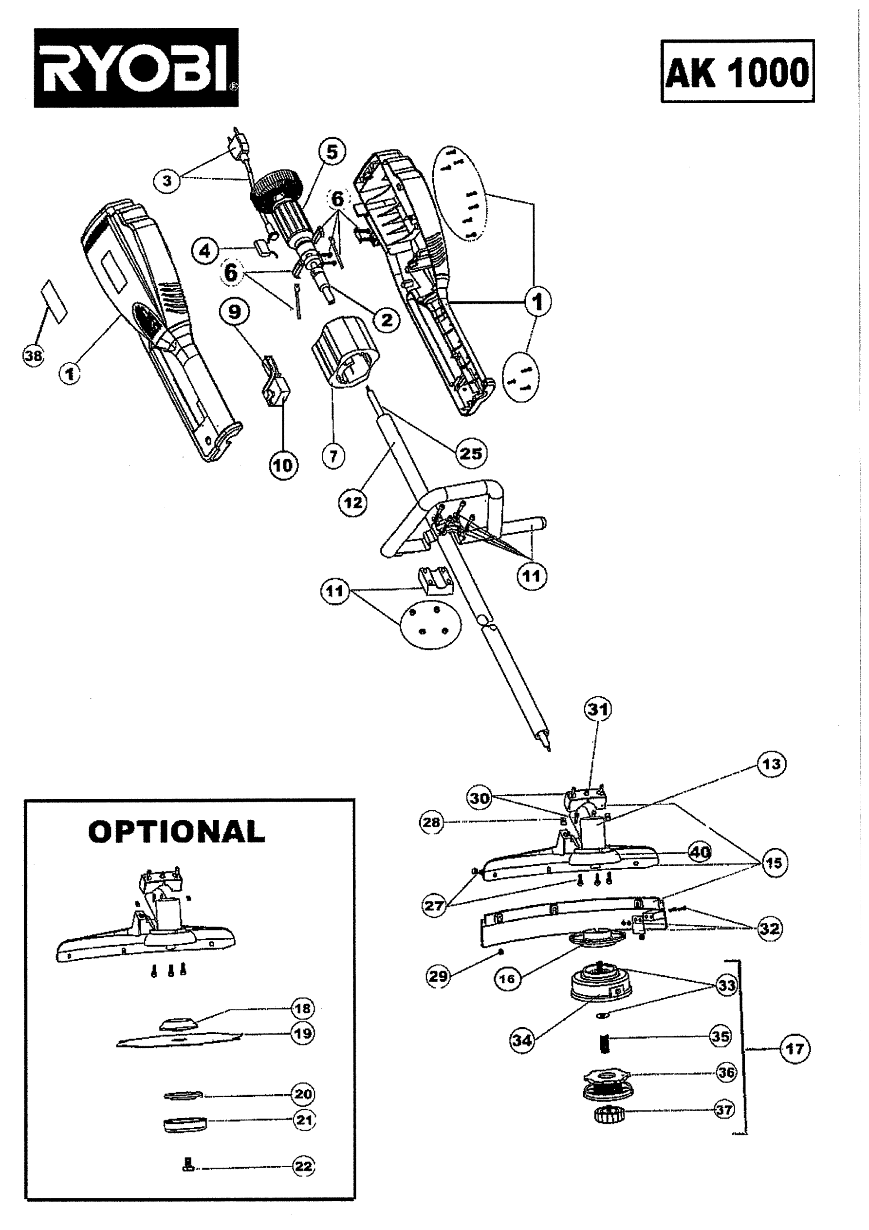
PIECES DETACHEES RYOBI AK1000 AK1000#1

Pièces détachées RYOBI AK1000 AK1000#1

ATTENTION : la désignation commerciale peut être identique pour deux versions différentes de la machine.
Veuillez vérifier que la référence (numéro situé dans l'encadrement rouge du schéma) corresponde bien à celle visible sur la plaque signalétique de votre machine.
Si ce n'est pas le cas, veuillez renseigner votre référence dans le champ de recherche.

Repérez votre pièce sur la vue éclatée et commandez-la dans notre liste. Si toutefois, vous ne trouvez pas votre pièce, vous avez la possibilité de nous contacter via le formulaire à la suite de la liste de pièces.

Désignation Prix
1 CARTER MOTEUR COMPLET RET700/1000 - Article plus fourni RYOBI AK1000
0,00 € HT 0,00 € TTC
2 ADAPTATEUR - Article plus fourni RYOBI AK1000
0,00 € HT 0,00 € TTC
3 CORDON D''ALIMENTATION RET / EBC1040 - Article plus fourni RYOBI AK1000
0,00 € HT 0,00 € TTC
4 CONDENSATEUR - Article plus fourni RYOBI AK1000
0,00 € HT 0,00 € TTC
5 ROTOR - Article plus fourni RYOBI AK1000
0,00 € HT 0,00 € TTC
6 BALAI CHARBON - Article plus fourni RYOBI AK1000
0,00 € HT 0,00 € TTC
7 INDUCTEUR RET/AK1000 EBC/ELT1040 RYOBI AK1000
78,75 € HT 94,50 € TTC
Ajouter
9 GACHETTE D''INTERRUPTEUR RET/ELT/AK - Article plus fourni RYOBI AK1000
0,00 € HT 0,00 € TTC
10 INTERRUPTEUR - Article plus fourni RYOBI AK1000
0,00 € HT 0,00 € TTC
11 POIGNEE - Article plus fourni RYOBI AK1000
0,00 € HT 0,00 € TTC
12 TUBE AK1000 EBC1040 - Article plus fourni RYOBI AK1000
0,00 € HT 0,00 € TTC
13 RENVOI D''ANGLE - Article plus fourni RYOBI AK1000
0,00 € HT 0,00 € TTC
15 CARTER PROTECTION - Article plus fourni RYOBI AK1000
0,00 € HT 0,00 € TTC
16 COUPELLE AK1000 EBC1040 - Article plus fourni RYOBI AK1000
0,00 € HT 0,00 € TTC
18 BRIDE - Article plus fourni RYOBI AK1000
0,00 € HT 0,00 € TTC
20 FLASQUE,LAME INFERIEURE AK1000 EBC1 - Article plus fourni RYOBI AK1000
0,00 € HT 0,00 € TTC
21 COUPELLE,BOULON DE LAME AK1000 EBC1 - Article plus fourni RYOBI AK1000
0,00 € HT 0,00 € TTC
22 VIS - Article plus fourni RYOBI AK1000
0,00 € HT 0,00 € TTC
25 AXE - Article plus fourni RYOBI AK1000
0,00 € HT 0,00 € TTC
27 VIS - Article plus fourni RYOBI AK1000
0,00 € HT 0,00 € TTC
28 ECROU DE CARTER AK1000 EBC1040 - Article plus fourni RYOBI AK1000
0,00 € HT 0,00 € TTC
29 ECROU DE CARTER AK1000 EBC1040 - Article plus fourni RYOBI AK1000
0,00 € HT 0,00 € TTC
30 VIS - Article plus fourni RYOBI AK1000
0,00 € HT 0,00 € TTC
31 VIS DE SERRAGE DE TUBE AK1000 EBC10 - Article plus fourni RYOBI AK1000
0,00 € HT 0,00 € TTC
32 COUTEAU - Article plus fourni RYOBI AK1000
0,00 € HT 0,00 € TTC
33 AXE - Article plus fourni RYOBI AK1000
0,00 € HT 0,00 € TTC
34 COUVERCLE,BOBINE DE FIL RET EBC ELT - Article plus fourni RYOBI AK1000
0,00 € HT 0,00 € TTC
35 RESSORT - Article plus fourni RYOBI AK1000
0,00 € HT 0,00 € TTC
37 DEBRAYAGE DEROULEUR AK1000 EBC1040 - Article plus fourni RYOBI AK1000
0,00 € HT 0,00 € TTC
38 ETIQUETTE AK1000 - Article plus fourni RYOBI AK1000
0,00 € HT 0,00 € TTC
40 COUVERCLE - Article plus fourni RYOBI AK1000
0,00 € HT 0,00 € TTC

Description PIECES DETACHEES RYOBI AK1000 AK1000#1

Pièces détachées RYOBI AK1000 AK1000#1

Caractéristiques techniques

Référence PD_RYOBI_AK1000#AK1000#1

Il manque une référence dans les pièces proposées ?

Il vous suffit de nous contacter pour la commander !

Contactez-nous par téléphone au 04 90 89 13 12  (du lundi au vendredi de 8h à 12h et de 14h à 17h00 )  ou par email :